標題 |
規格書 |
IF(A) |
VRRM(V) |
IFSM(A) |
VF(V) |
@IF(A) |
IR@25℃(uA) |
trr(ns) |
OUTLINE |
|---|---|---|---|---|---|---|---|---|---|
| SR1060M2 | 下載 | 10.0 | 60 | 150 | 0.75 | 10.0 | 50 | TO-252(DPAK) | |
| SR10100M2 | 下載 | 10.0 | 100 | 150 | 0.85 | 10.0 | 30 | TO-252(DPAK) | |
| SR10150M2 | 下載 | 10.0 | 150 | 150 | 0.90 | 10.0 | 30 | TO-252(DPAK) | |
| SR10200M2 | 下載 | 10.0 | 200 | 150 | 0.95 | 10.0 | 30 | TO-252(DPAK) | |
| SR1020 | 下載 | 10.0 | 20 | 150 | 0.60 | 10.0 | 100 | TO-220AC | |
| SR1030 | 下載 | 10.0 | 30 | 150 | 0.60 | 10.0 | 100 | TO-220AC | |
| SR1040 | 下載 | 10.0 | 40 | 150 | 0.60 | 10.0 | 100 | TO-220AC | |
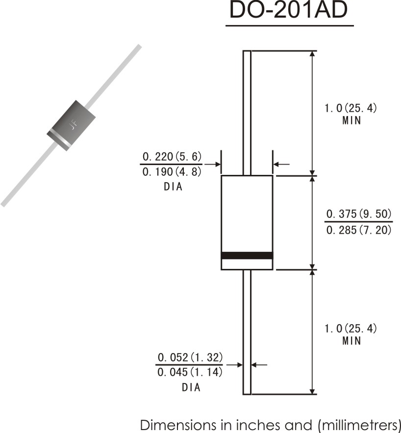
| SR1045 | 下載 | 10.0 | 45 | 150 | 0.55 | 10.0 | 100 | DO-201AD | |
| SR1045 | 下載 | 10.0 | 45 | 150 | 0.60 | 10.0 | 100 | TO-220AC | |
| SR1060 | 下載 | 10.0 | 60 | 150 | 0.75 | 10.0 | 100 | TO-220AC | |
| SR10100 | 下載 | 10.0 | 100 | 150 | 0.85 | 10.0 | 30 | TO-220AC | |
| SR10150 | 下載 | 10.0 | 150 | 150 | 0.90 | 10.0 | 30 | TO-220AC | |
| SR10200 | 下載 | 10.0 | 200 | 150 | 0.95 | 10.0 | 30 | TO-220AC | |
| SR1020CT | 下載 | 10.0 | 20 | 150 | 0.60 | 5.0 | 100 | TO-220AB | |
| SR1030CT | 下載 | 10.0 | 30 | 150 | 0.60 | 5.0 | 100 | TO-220AB | |
| SR1040CT | 下載 | 10.0 | 40 | 150 | 0.60 | 5.0 | 100 | TO-220AB | |
| SR1045CT | 下載 | 10.0 | 45 | 150 | 0.60 | 5.0 | 100 | TO-220AB | |
| SR1060CT | 下載 | 10.0 | 60 | 150 | 0.75 | 5.0 | 100 | TO-220AB | |
| SR10100CT | 下載 | 10.0 | 100 | 150 | 0.85 | 5.0 | 30 | TO-220AB | |
| SR10150CT | 下載 | 10.0 | 150 | 150 | 0.90 | 5.0 | 30 | TO-220AB |
聯系晶恒Contact
咨詢熱線:400-055-0531
電話:0531-86943657
傳真:0531-86412824
郵箱:sale@jinghenggroup.com
地址:山東省濟南市歷下區和平路51號



晶恒博客